产品中心

PRODUCT

产品中心

HGL负荷隔离开关

如果您有任何问题可以联系我们!
联系我们

电话:18868286678

扫一扫,加我为朋友
  • 详细信息
详细信息
HGL负荷隔离开关


开关简介
HGL系列负荷隔离开关适用于交流50Hz、额定电压至660V、直流电压至440V、约定发热电流至3200A的工企业配电设备中,用作不频繁接通与分断电路及电气隔离之用,广泛应用于建筑、电力、石油化工及其他行业的配电系统和自动化系统中。
HGLC侧面操作负荷隔离开关,在HGL负荷隔离开关的基础上增加了一个侧面操作机构,适用于侧面操作的接通与分断电路及电气隔离之用。
HGLZ转换负荷隔离开关,由两台HGL负荷隔离开关上下叠装或左右并装而组成,适用于双路电源的切换或两台负载设备的转换及安全隔离等。
开关符合IEC60947-3、GB14048.3标准。
开关造型美观、新颖简洁,体积小、功能全,是同类产品的更好选择!
型号及含义

HGL负荷隔离开关,隔离开关

开关采用模块化设计,适用于接通与分断电路或电气隔离之用,1000A以上只用作电气隔离。
开关采用弹簧蓄能、瞬时释放的加速关合机构及同时接通与断开并联双断点的触头结构,极大的提高了产品的电气性能与机械性能。
开关采用玻璃纤维增强不饱和聚脂模塑料及手动操作手柄,具有很高的介电性能、防护能力及可靠的操作安全性。
开关具有3极、锻(3极+可通断中性极)。
开关正面设有标记窗口,指示触头的通断状态,可根据需要提供后面观察窗口,直接观察触头的通断状态,保证开关操作的可靠性和安全性。
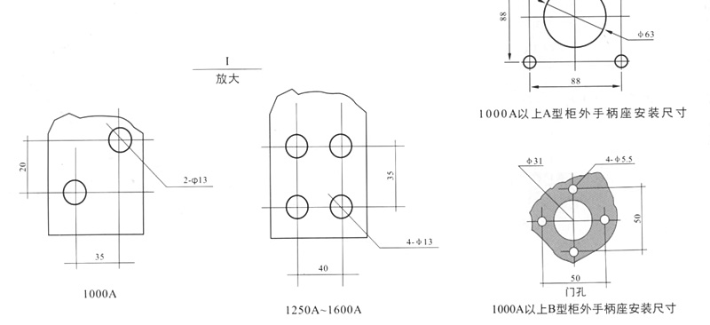
手柄可直接装在开关上操作(简称柜内操作),也可通过加长轴在配电柜门外操作(简称柜外操作)提供操作方便。
可根据需要提供常开常闭辅助触点及安装专用底板与板前板后接线方式,以满足客户的多种需求。
在分断位置“0”时,可用两至三把锁锁住手柄,以防止误操作。

HGL-125A~1600负荷隔离开关


开关性能与参数

约定发热电流Ith(A) 125 160 200 250 315 400 500 630 1000 1250 1600
额定绝缘电压Ui(V) 750 750 750 750 1000 1000 1000 1000 1000 1000 1000
介电强度(V) 5000 5000 5000 5000 8000 8000 8000 8000 10000 10000 10000
额定冲击耐受电压Uimp kV(安装类别IV) 8 8 8 8 12 12 12 12 12 12 12
额定工作电流Ie(A)                      
380V AC21 125 160 200 250 315 400 500 630 1000 1250 1600
AC22 125 160 200 250 315 400 500 630 1000 1250 1600
AC23 125 160

200

250 315 340 425 536 800 1000 1280
660V AC21 125 160 160 200 315 400 400 500 1000 1000 1600
AC22 125 125 125 160 200 200 200 315 630 630 800
AC23 50 63 70 80 125 125 125 125 400 400 500
220V DC21 125 160 200 250 315 400 500 630 1000 1250 1600
DC22 125 160 200 250 315 400 400 500 1000 1250 1250
DC23 125 125 160 200 315 400 400 500 1000 1250 1250
440V DC21 100 125 160 200 315 400 400 500 1000 1250 1250
DC22 100 125 160 200 315 400 400 500 1000 1250 1250
DC23 100 125 160 200 315 400 400 500 1000 1000 1000
电动机功率P(kW)                      
380V 45 55 55 75 110 110 110 110 365 365 500
660V 55 70 75 110 160 220 220 220 560 560 560
过载能力                      
额定短时耐受电流Icw(kA Rms)0.1S/1.0S 20/10 20/10 25/12 25/12 30/20 30/20 50/25 50/25 90/50 90/50 90/50
接通分断能力                      
额定接通能力(A Rms)AC-23 380V 1000 1000 1600 1600 2500 3200 3200 3200 8000 8000 8000
额定分断能力(A Rms)AC-23 380V 1250 1250 2000 2000 3150 4000 4000 4000 10000 10000 10000
额定短路接通能力Icm(kA峰值) 12 12 17 17 30 30 40 40 70 70 70
机械寿命(循环操作次数) 10000 10000 10000 10000 5500 5500 5500 5500 4000 4000 3000
电气寿命(循环操作次数)                      
额定电压Ue=660V 额定电流Ie 1500 1500 1500 1500 750 750 750 750 600 600 450
COSФ=0.95 AC-21
COSФ=0.65 AC-22 1000 1000 1000 1000 500 500 500 500 400 400 300
COSФ=0.35 AC-23 500 500 500 500 250 250 250 250 200 200 150
操作力矩(N·m) 6.5 6.5 10 10 14.5 14.5 14.5 14.5 27 27 27
重量(Kg) 3极 1 1 2 2 3.5 3.5 4 4 10.5 10.5 16]
  4极 1.5 1.5 2.5 2.5 4 4 4.5 4.5 13 13 20


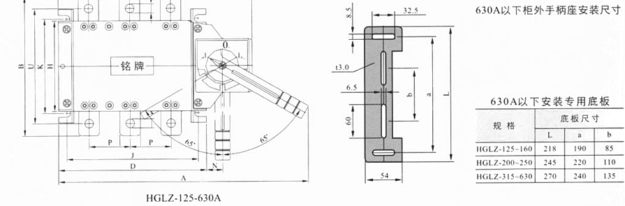
HGL-125A~630A负荷隔离开关





规格 外形与安装尺寸
A B C D D1 E G J J1 K N P R S T U ФX Y F H
HGL-125/3 140 135 125 27 92 73 85 5.5 120 120 65 85 36 20 25 305 115 9 25 59 10
HGL-125/4 170 135 125 27 92 73 85 5.5 150 150 65 85 36 20 25 3.5 115 9 25 59 10
HGL-160/3 140 135 125 57 92 73 85 5.5 120 120 65 85 36 20 25 3.5 115 9 25 59 10
HGL-160/4 170 135 125 27 92 73 85 5.5 150 150 65 85 36 20 25 3.5 115 9 25 59 10
HGL-200/3 180 175 136 35 98 84 110 5.5 160 160 90 115 50 25 30 3.5 140 11 25 76 15
HGL-200/4 230 170 136 35 98 84 110 5.5 210 210 90 115 50 25 30 3.5 140 11 25 76 15
HGL-250/3 180 170 136 35 98 84 110 5.5 160 160 90 115 50 25 30 3.5 140 11 25 76 15
HGL-250/4 230 170 136 35 98 84 110 5.5 210 10 90 115 50 25 30 3.5 140 11 25 76 15
HGL-315/3 230 240 190 50 135 118 160 7 210 210 140 145 65 32 40 5 206 11 37 94 20
HGL-315/4 290 240 190 50 135 118 160 7 270 270 140 145 65 32 40 5 206 11 37 94 20
HGL-400/3 230 240 190 50 135 118 160 7 210 210 140 145 65 32 40 5 206 11 37 94 20
HGL-400/4 290 240 190 50 135 118 160 7 270 270 140 145 65 32 40 5 206 11 37 94 20
HGL-500/3 230 260 190 50 135 118 160 7 210 210 140 145 65 40 50 6 220 13 37 94 20
HGL-500/4 290 260 190 50 135 118 160 7 270 270 140 145 65 40 50 6 220 13 37 94 20
HGL-630/3 230 260 190 50 135 118 160 7 210 210 140 145 65 40 50 6 220 13 37 94 20
HGL-630/4 290 260 190 50 135 118 160 7 270 270 140 145 65 40 50 6 220 13 37 94 20

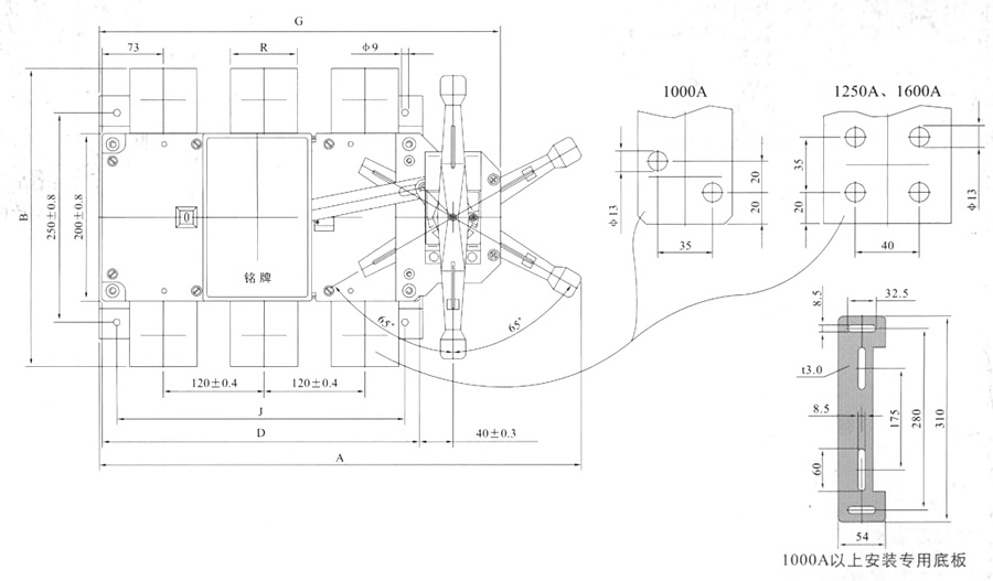
HGL-1000A~3200A负荷隔离开关




规格 A B J N R T Y
HGL-1000/3 378 312 353 185 60 8 48
HGL-1000/4 498 312 473 249 60 8 48
HGL-1250/3 378 356 353 185 80 8 48
HGL-1250/4 498 356 473 249 80 8 48
HGL-1600/3 378 356 353 185 80 10 49
HGL-1600/4 498 356 473 249 80 10 49


规格 A J T1 T2 Y1 Y2
HGL-2000/3 378 350 8 12 90 255
HGL-2000/4 498 470 8 12 90 255
HGL-2500/3 378 350 8 12 90 255
HGL-2500/4 498 470 8 12 90 255
HGL-3200/3 378 350 10 14 89 256
HGL-3200/4 498 470 10 14 89 256

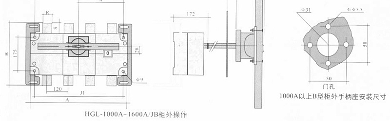
HGL-125A~3200A/H负荷隔离开关


柜后操作负荷隔离开关
125A-630A适用于电路的接通与分断或电气隔离,1000A以上只适用于电气隔离。125A-630A有三极、四极(三极+可通断中性极)。
630A以下可根据需要提供有观察窗口的产品,直接观察触头的通断状态。
可根据需要配装两组辅助触点。
电气性能与机械性能和HGL-125A~1600A电气性能与机械性能相对应。
注:仅提供柜外操作产品。

HGL-125A~630A/H负荷隔离开关



规格 外形与安装尺寸
B C D D1 G J N P R S U ФX F H
HGL-125/3JH 135 17 27 92 85 120 75 36 20 25 115 9 59 10
HGL-125/4JH 135 17 27 92 85 150 75 36 20 25 115 9 59 10
HGL-160/3JH 135 17 27 92 85 120 75 36 20 25 115 9 59 10
HGL-160/4JH 135 17 27 92 85 150 75 36 20 25 115 9 59 10
HGL-200/3JH 170 18 35 98 110 160 105 50 25 30 140 11 76 15
HGL-200/4JH 170 18 35 98 110 210 105 50 25 30 140 11 76 15
HGL-250/3JH 170 18 35 98 110 160 105 50 25 30 140 11 76 15
HGL-250/4JH 170 18 35 98 110 210 105 50 25 30 140 11 76 15
HGL-315/3JH 240 20 50 135 160 210 135 65 32 40 206 11 94 20
HGL-315/4JH 240 20 50 135 160 270 135 65 32 40 206 11 94 20
HGL-400/3JH 240 20 50 135 160 210 135 65 32 40 206 11 94 20
HGL-400/4JH 240 20 50 135 160 270 135 65 32 40 206 11 94 20
HGL-500/3JH 260 20 50 135 160 210 135 65 40 50 220 13 94 20
HGL-500/4JH 260 20 50 135 160 270 135 65 40 50 220 13 94 20
HGL-630/3JH 260 20 50 135 160 210 135 65 40 50 220 13 94 20
HGL-630/4JH 260 20 50 135 160 270 135 65 40 50 220 13 94 20

HGL-1000A~1600A/H负荷隔离开关



规格 外形与安装尺寸
A B J N R S T Y
HGL-1000/3JH 378 312 353 174 60 56 8 48
HGL-1000/4JH 498 312 473 238 60 56 8 48
HGL-1250/3JH 378 356 353 174 80 78 8 48
HGL-1250/4JH 498 356 473 238 80 78 8 48
HGL-1600/3JH 378 356 353 174 80 78 10 49
HGL-1600/4JH 498 356 473 238 80 78 10 49

HGL-125A~160A/B负荷隔离开关
板后接线负荷隔离开关
125A-630A适用于电路的接通与分断或电气隔离,1000A以上只适用于电气隔离125A-630A有三极、四极(三极+可通断中性极)。
630A以下可根据需要提供有观察窗口的产品,直接观察触头的通断状态。
可根据需要配装两组辅助触点。
电气性能与机械性能和HGl-125A~1600A电气性能与机械性能相对应。



HGL-125A~630A/B负荷隔离开关



规格 外形与安装尺寸
A B C C1 D D1 E E1 G ФL J J1 K N P R S T ФX Y F H
HGL-125/3JKB 140 135 125 70 27 92 73 10 85 5.5 120 120 65 75 36 20 25 3.5 9 25 59 10
HGL-125/4JKB 170 135 125 70 27 92 73 10 85 5.5 150 150 65 75 36 20 25 3.5 9 25 59 10
HGL-160/3JKB 140 135 125 70 27 92 73 10 85 5.5 120 120 65 75 36 20 25 3.5 9 25 59 10
HGL-160/4JKB 170 135 125 70 27 92 73 10 85 5.5 150 150 65 75 36 20 25 3.5 9 25 59 10
HGL-200/3JKB 180 170 136 75 35 98 84 15 110 5.5 160 160 90 105 50 25 30 3.5 11 25 76 15
HGL-200/4JKB 230 170 136 75 35 98 84 15 110 5.5 210 210 90 105 50 25 30 3.5 11 25 76 15
HGL-250/3JKB 180 170 136 75 35 98 84 15 110 5.5 160 160 90 105 50 25 30 3.5 11 25 76 15
HGL-250/4JKB 230 170 136 75 35 98 84 15 110 5.5 210 210 90 105 50 25 30 3.5 11 25 76 15
HGL-315/3JKB 230 240 190 83 50 135 118 17 160 7 210 210 140 135 65 32 40 5 11 37 94 20
HGL-315/4JKB 290 240 190 83 50 135 118 17 160 7 270 270 140 135 65 32 40 5 11 37 94 20
HGL-400/3JKB 230 240 190 83 50 135 118 17 160 7 210 210 140 135 65 32 40 5 11 37 94 20
HGL-400/4JKB 290 240 190 83 50 135 118 17 160 7 270 270 140 135 65 32 40 5 11 37 94 20
HGL-500/3JKB 230 260 190 83 50 135 118 20 160 7 210 210 140 135 65 40 50 6 13 37 94 20
HGL-500/4JKB 290 260 190 83 50 135 118 20 160 7 270 270 140 135 65 40 50 6 13 37 94 20
HGL-630/3JKB 230 260 190 83 50 135 118 20 160 7 210 210 140 135 65 40 50 6 13 37 94 20
HGL-630/4JKB 290 260 190 83 50 135 118 20 160 7 270 270 140 135 65 40 50 6 13 37 94 20

HGL-1000A~160A/B负荷隔离开关



规格 外形与安装尺寸
A B J J1 N R S T Y
HGL-1000/3JB 378 312 353 353 174 60 56 8 48
HGL-1000/4JB 498 312 473 473 238 60 56 8 48
HGL-1250/3JB 378 356 353 353 174 80 78 8 48
HGL-1250/4JB 498 356 473 473 238 80 78 8 48
HGL-1600/3JB 378 356 353 353 174 80 78 10 49
HGL-1600/4JB 498 356 473 473 238 80 78 10 49

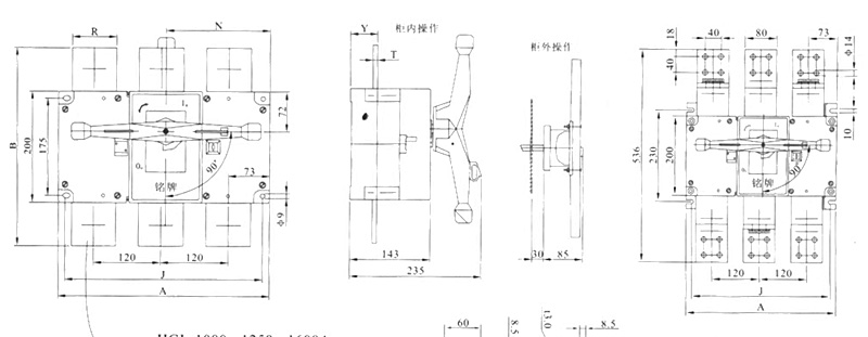
HGL-125A~320A负荷隔离开关


侧面操作负荷隔离开关
HGLC-125~1600A适用于电路的接通与分断或电气隔离。有三极、四极(三极+可通断中性极)
可根据需要提供有观察窗口的产品,直接观察触头的通断状态。
柜内操作:手柄安装在开关右侧。
柜外操作:手柄安装在配电柜柜门外。
根据需要可配装两组辅助触点。
加长轴用于柜外操作。
电气性能与机械性能和HGL-125~1600A电气性能与机械性能相对应。


HGL-125A~630A负荷隔离开关



规格 外形与安装尺寸
A B C D D1 E G J J1 J2 K P R S T U ФX Y L F
HGLC-125/3 267 135 146 89 110 83 85 120 65 120 95 36 20 25 3.5 115 9 52 7 59
HGLC-125/4 297 135 146 104 110 83 85 150 65 150 95 36 20 25 3.5 115 9 52 7 59
HGLC-160/3 267 135 146 89 110 83 85 120 65 120 95 36 20 25 3.5 115 9 52 7 59
HGLC-160/4 297 135 146 104 110 83 85 150 65 150 95 36 20 25 3.5 115 9 52 7 59
HGLC-200/3 308 170 156 110 120 92 110 160 65 160 115 50 25 30 3.5 140 11 60 9 76
HGLC-200/4 358 170 156 135 120 92 110 210 65 210 115 50 25 30 3.5 140 11 60 9 76
HGLC-250/3 308 170 156 110 120 92 110 160 65 160 115 50 25 30 3.5 140 11 60 9 76
HGLC-250/4 358 170 156 135 120 92 110 210 65 210 115 50 25 30 3.5 140 11 60 9 76
HGLC-315/3 420 240 215 150 150 115 160 210 77 210 180 65 32 40 5 206 11 80 11 94
HGLC-315/4 480 240 215 180 150 115 160 270 77 270 180 65 32 40 5 206 11 80 11 94
HGLC-400/3 420 240 215 150 150 115 160 210 77 210 180 65 32 40 5 206 11 80 11 94
HGLC-400/4 480 240 215 180 150 115 160 270 77 270 180 65 32 40 5 206 11 80 11 94
HGLC-500/3 420 260 215 150 150 115 160 210 77 210 180 65 40 50 6 220 13 80 11 94
HGLC-500/4 480 260 215 180 150 115 160 270 77 270 180 65 40 50 6 220 13 80 11 94
HGLC-630/3 420 260 215 150 150 115 160 210 77 210 180 65 40 50 6 220 13 80 11 94
HGLC-630/4 480 260 215 180 150 115 160 270 77 270 180 65 40 50 6 220 13 80 11 94

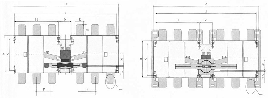
HGLC-1000A~3200A负荷隔离开关



规格 外形与安装尺寸
A B D G J R T Y
HGLC-1000/3 575 312 378 473 353 60 8 48
HGLC-1000/4 695 312 498 593 473 60 8 48
HGLC-1250/3 575 356 378 473 353 80 8 48
HGLC-1250/4 695 356 498 593 473 80 8 48
HGLC-1600/3 575 356 378 473 353 80 10 49
HGLC-1600/4 695 356 498 593 473 80 10 49

规格 外形与安装尺寸
A D G J T1 T2 Y1 Y2
HGLC-2000/3 575 378 473 350 8 12 90 255
HGLC-2000/4 695 498 593 470 8 12 90 255
HGLC-2500/3 575 378 473 350 8 12 90 255
HGLC-2500/4 695 498 593 470 8 12 90 255
HGLC-3200/3 575 378 473 350 10 14 89 256
HGLC-3200/4 695 498 593 470 10 14 89 256

HGL-125A~1600A负荷隔离开关
转换负荷隔离开关
HGLZ-125~1600A适用于两条低压电路切换或者两个负载设备的转换或安全隔离等。
柜内操作:手柄直接安装在开关上。
柜外操作:手柄安装在配电柜柜门外。
可根据需要提供有观察窗口的产品,直接观察触头通断状态。
有三极、四极(三极+可通断中性极)。
加长轴用于柜外操作
根据需要可配装两组辅助触点。
电气性能与机械性能和HGL-125~1600A电气性能与机械性能相对应。
可提供桥式连接导体接通开关的进线端或出线端。
注:1000A以上开关分为上下和左右排列两种形式,订货时说明。


HGLZ-125A~630A负荷隔离开关



规格 外形与安装尺寸
A B C D E F G H J K L N P R T U ФX Y Y1
HGLZ-125/3 267 135 220 140 152 30 195 85 120 95 7 20 36 20 3.5 115 9 52 124
HGLZ-125/4 297 135 220 170 152 30 225 85 150 95 7 20 36 20 3.5 115 9 52 124
HGLZ-160/3 267 135 220 140 152 30 195 85 120 95 7 20 36 20 3.5 115 9 52 124
HGLZ-160/4 297 135 220 170 152 30 225 85 150 95 7 20 36 20 3.5 115 9 52 124
HGLZ-200/3 308 170 240 180 180 37 235 110 160 115 9 20 50 25 3.5 140 11 60 142
HGLZ-200/4 358 170 240 230 180 37 285 110 210 115 9 20 50 25 3.5 140 11 60 142
HGLZ-250/3 308 170 240 180 180 37 235 110 160 115 9 20 50 25 3.5 140 11 60 142
HGLZ-250/4 358 170 240 230 180 37 286 110 210 115 9 20 50 25 3.5 140 11 60 142
HGLZ-315/3 420 240 330 230 244 48 300 160 210 180 10 35 65 32 5 206 11 80 194
HGLZ-315/4 480 240 330 290 244 48 360 160 270 180 10 35 65 32 5 206 11 80 194
HGLZ-400/3 420 240 330 230 244 48 300 160 210 180 10 35 65 32 5 206 11 80 194
HGLZ-400/4 480 240 330 290 244 48 360 160 270 180 10 35 65 32 5 206 11 80 194
HGLZ-500/3 420 260 330 230 244 48 300 160 210 180 10 35 65 40 6 220 13 80 194
HGLZ-500/4 480 260 330 290 244 48 360 160 270 180 10 35 65 40 6 220 13 80 194
HGLZ-630/3 420 260 330 230 244 48 300 160 210 180 10 35 65 40 6 220 13 80 194
HGLZ-630/4 480 260 330 290 244 48 360 160 270 180 10 35 65 40 6 220 13 80 194

HGL-1000A~1600A负荷隔离开关


规格 外形与安装尺寸
A B C D E F J J1 K N P R S T
HGLZ-1000/3 836 200 242 140 168 48 811 353 175 105 120 60 56 8
HGLZ-1000/4 1100 200 242 140 168 48 1051 473 175 105 120 60 56 8
HGLZ-1250/3 836 200 242 140 168 48 811 353 175 105 120 80 78 8
HGLZ-1250/4 1100 200 242 140 168 48 1051 473 175 105 120 80 78 8
HGLZ-1600/3 836 200 242 140 168 49 811 353 175 105 120 80 78 10
HGLZ-1600/4 1100 200 242 140 168 49 1051 473 175 105 120 80 78 10

上下型转换负荷隔离开关


规格 外形与安装尺寸
A B D G J R T Y Y1
HGLZ-1000/3 578 312 378 476 343 60 8 92 248
HGLZ-1000/4 698 312 498 596 463 60 8 92 248
HGLZ-1250/3 578 356 378 476 343 80 8 92 248
HGLZ-1250/4 698 356 498 596 463 80 8 92 248
HGLZ-1600/3 578 356 378 476 343 80 10 93 249
HGLZ-1600/4 698 356 498 596 463 80 10 93 249
相关产品
© 浙江正宇电器有限公司   浙ICP备18057434号-1   XML   网站地图   网站制作维护:传信网络

微信
咨询

扫一扫,加我为朋友
扫一扫,加我为朋友

服务
热线

18868286678
服务热线