产品中心

PRODUCT

产品中心

HGLD双电源自动转换开关

如果您有任何问题可以联系我们!
联系我们

电话:18868286678

扫一扫,加我为朋友
  • 详细信息
详细信息
HGLD双电源自动转换开关

HGLD双电源自动转换开关,刀开关


开关简介
HGLD系列双电源自动转换开关(ATSE),HGLD双电源自动转换开关是集开关与逻辑控制于一体、真正实现机电一体化的新型自动转换开关,它适用于额定绝缘电压至1000V、额定频率50Hz、额定电压至400V、约定发热电流至3200A的工企业配电设备中;用作供电系统的主用电源与备用电源的自动转换或两台负载设备的自动转换及安全隔离等;广泛用于医院、商场、银行、高层建筑、煤矿、电信、铁矿、高速公路、机场、工业流水线及军事设施等不允许电源断电的重要场合。
开关由控制线路板发出各种逻辑命令管理电机,由电机转动经齿轮箱减速后带动弹簧蓄能、瞬时释放的操作机构,从而快速地接通与分断电路或进行电路转换,通过明显可见状态实现安全隔离。
开关可实现全自动、强制"0"、远程控制、紧急手动等操作;并具有缺相检测保护、电气机械互锁,带发电机(油机)等功能。开关造型优美,新颖简洁,体积小、功能全,是同类产品的最佳选择。

型号及含义
HGLD双电源自动转换开关,刀开关
开关控制类型
Ⅰ型:全自动
Ⅱ型:全自动、强制“0”、远程控制、带发电机
Ⅲ型:缺相检测保护、全自动、强制“0”、远程控制、带发电机
开关功能
1.全自动:即自投自复,当常用电源断电(或断相)时,开关自动转换至备用电源;而当常用电源恢复正常后,开关自动返回转换至常用电源。
2.强制“0”:紧急情况或设备检修时,启动强置“0”自锁按钮,开关自动转换至“0”档切断双路电源。
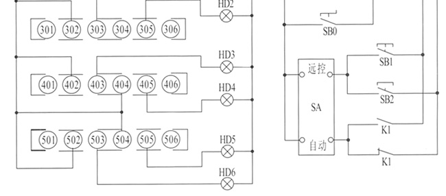
3.远程控制(远控):即远距离操作控制,启动“Ⅰ”档按钮,则常用电源投入工作;启动“Ⅱ”档按钮,则备用电源投人工作。
4.带发电机(油机):当市电电源断电(或断相)时,则发出油机启动的信号,使油机自动启动,等发电正常后,开关便自动转换至发电电源,而当市电电源恢复正常后,开关又自动返回转换至市电电源,同时发出油机关闭的信号,使油机自动关闭。
5.缺相检测保护:检测与保护常(备)用电源任意相的断电。
开关符合:IEC60947-6-1 GB14048.11;
额定工作电压(Ue):AC400V;
额定接通能力(A Rms):10Ie;
额定分断能力(A Rms):8Ie;

约定发热电流(A) 32 40 63 80 100 125 160 250 400 630 1000 1250 1600 2000 2500 3200
额定绝缘电压 750V 1000V
介电强度 3KV 5KV
额定冲击耐受电压 8KV 12KV
额定工作电流(A) AC-31 32 40 63 80 100 125 160 250 400 630 1000 1250 1600 2000 2500 3200
AC-35 32 40 63 80 100 125 160 250 400 630 1000 1000 1600 2000 2000 2500
AC-33 32 40 63 80 100 125 160 250 400 500 800 800 1000 1250 1250 1600
额定短时耐受电流 7KV 9KV 13KV 26KV
额定限制短路电流 70KV 100KV 120KV
操作力矩(N、m) 12 19 26 39 50 80
电机能耗(W) 启动 300 325 355 440 600
正常 55 62 74 98 120
转换时间(S) 0.45 0.6 1.2 1.5
机械寿命(次) 10000 5500 4000 3000
重量(kg) 3极 7.2 8 8.2 14 15 30 34 42 85 76 120
4极 7.5 8.5 9 16 17 36 40 49 95 98 135

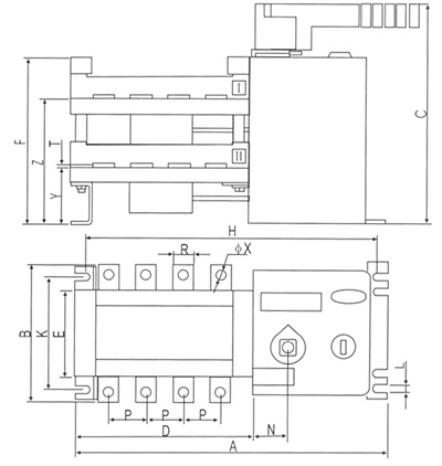
HGLD-32~3200A 双电源开关的结构图与特性



1、电气钥匙锁:控制开关内部控制线路电源,电气锁开启时.开关才能实现全自动、强置“0”、远控操作:电气锁关闭时.开关只可手动操作。
2、操作手柄:使用操作手柄手动操作时.必须先关闭电气锁。
3、机械挂锁:检修专用的挂锁机构,检修时将开关打到“0”档,再拉起挂锁机构并上挂锁,可防止任何的意外(拉起挂锁则切断开关内部控制 电源开关无法自动,同时可防止手柄套上)。
4、指示件:指示开关的三种状态(I、0、II)位置,“I”表示开关I接通,“II”表示开关II接通,“0”表示开关I、开关II都断开。


开户电气锁,开关全自动、强置“0”、远程控制

锁住挂锁机构,可防止手柄套上,同时切断内部控制电源

HGLD-32~1600A 双电源开关的外形与安装尺寸
产品型号 A B C D E F H K L N P R T ФX Y Z
HGLD-32~100/3 215 120 175 100 70 124 200 85 7 30 30 14 2.5 6 38 90
HGLD-32~100/4 245 120 175 130 70 124 230 85 7 30 30 14 2.5 6 38 90
HGLD-125、160/3 268 135 225 140 85 172 245 110 7 33 36 20 3.5 9 56 130
HGLD-125、160/4 298 135 225 170 85 172 275 110 7 33 36 20 3.5 9 56 130
HGLD-250/3 310 170 260 180 110 205 285 110 7 38 50 25 3.5 11 60 145
HGLD-250/4 360 170 260 230 110 205 335 110 7 38 50 25 3.5 11 60 145
HGLD-400/3 375 240 320 225 160 240 350 180 9 42 65 32 5 11 80 188
HGLD-400/4 435 240 320 290 160 240 415 180 9 42 65 32 5 11 80 188
HGLD-630/3 375 260 320 225 160 240 350 180 9 42 65 40 6 13 80 188
HGLD-630/4 435 260 320 290 160 240 415 180 9 42 65 40 6 13 80 188
HGLD-1000/3 505 312 370 378 200 295 470 220 11 50 120 60 8 13 108 250
HGLD-1000/4 625 312 370 498 200 295 590 220 11 50 120 60 8 13 108 250
HGLD-1250/3 505 356 370 378 200 295 470 220 11 50 120 80 8 13 108 250
HGLD-1250/4 625 365 370 498 200 295 590 220 11 50 120 80 8 13 108 250
HGLD-1600/3 505 356 370 378 200 295 470 220 11 50 120 80 10 13 108 250
HGLD-1600/4 625 356 370 498 200 295 590 220 11 50 120 80 10 13 108 250


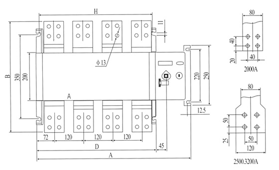
HGLD-2000A~3200A 双电源开关的外形与安装尺寸



HGLD-32~3200A 双电源开关的使用与调试
开关使用说明

1、非专业人士,请勿安装;非本公司许可,请勿拆开,以免损坏。
2、使用安装前,请仔细认真阅读本说明书,以免使用不当。
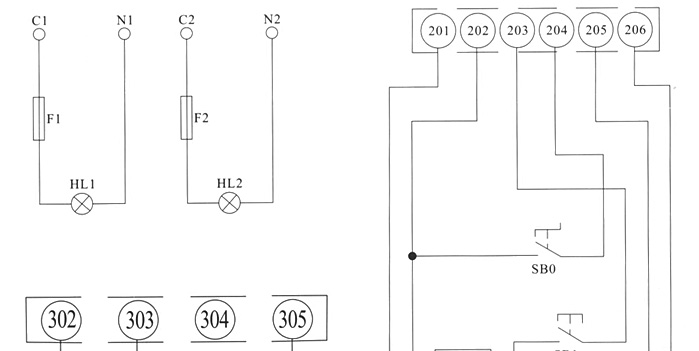
3、开关内部控制电源额定电压为220V,取自常用电源的C1.N1与备用电源的C2.N2,在85%-110%的额定控制电压范围内,开关方可正常工作。
4、开关进线端电源应有过压保护,以免电压过高而损坏内部线路板或控制电机。
5、开关出线端应有短路保护,以免短路时电流太大而烧坏开关本体。
6、使用安装时,请将电气钥匙锁关闭,并将开关打到“0”档。
7、开关接线时,请测量与区分电源进线的A.B.C.N,并接到开关的相应极上。
8、通电使用前,请再次测量C.N电压是否在85%-11O%的额定控制电压范围内,然后开启电气钥匙锁,正式投入工作。
9、开关正常投入后,请取下电气钥匙与操作手柄单独保管,以防意外。

开关调试说明
1、使用操作手柄,反复操作开关三次,开关应操作灵活。
2、全自动调试:按接线图接好相应的线,确认无误后再开启电气锁,然后接通双路电源,开关应转到“I”挡;再断开常用电源,开关应转到“II”挡:然后再接通常用电源,开关应返回转到“I”挡。
3、强制“0”调试:任何情况下,启动强制“0”自锁按钮,开关应转到“0”挡。
4、远程控制调试启动“I”挡按钮,开关应转到“I”挡;启动“II”挡按钮,开关应转到“II”挡。
5、检测信号指示灯:常/备用电源通/断电时,开关“I/II”通断时,电气/挂锁开/关时,各信号指示灯应作相应的指示。
6、调试完后,请先关闭电源,再用手柄将开关转到“0”挡。

HGLD-32~3200A 双电源开关的使用与调试

开关的正确安装方法


端子接线操作方法

开关主线路接线

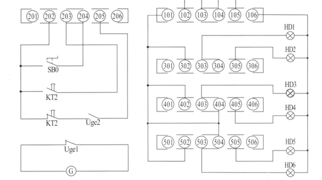
HGLD-32~100A 全自动、强制“o”,远控接线



HGLD-125~630A 全自动、强制“o”,远控接线




HGLD-1000~3200A 全自动、强制“o”,远控接线





HGLD-32~630A 带发电机接线





HGLD-1000~3200A 带发电机接线



相关产品
© 浙江正宇电器有限公司   浙ICP备18057434号-1   XML   网站地图   网站制作维护:传信网络

微信
咨询

扫一扫,加我为朋友
扫一扫,加我为朋友

服务
热线

18868286678
服务热线