|
适用范围
适用于交流50Hz,额定电压至1000V,额定工作电流6000A及以下的电力线路中,开启式刀开关作为无载操作,隔离电源之用。
结构特性
2.1刀开关采用双刀片分布在静触头两侧,用片状弹簧和螺钉锁紧,在电网发生短路时,由于两并联刀片之间以及弹簧片产生的电磁锁紧力,补偿了触头斥力,从而能获得较高的电动稳定性。
2.2刀开关的导电部件,借助玻璃纤维压塑料制成的绝缘底板固定于底座上,具有较高的绝缘能力和机械强度,用玻璃纤维压塑料制成的拉杆具有较高的机械强度,从而保证了刀开关的机械寿命。
主要技术参数
|
额定工作电压(V)
|
AC380、DC220
|
|
额定工作电流(A)
|
2000
|
3000
|
6000
|
|
极数
|
1极
|
2极
|
3极
|
1极
|
2极
|
3极
|
1极
|
|
动稳定电流峰值(kA)
|
100
|
|
Is热稳定电流(有效值)(kA)
|
50
|
|
辅助开关
|
AC220V、5A
|
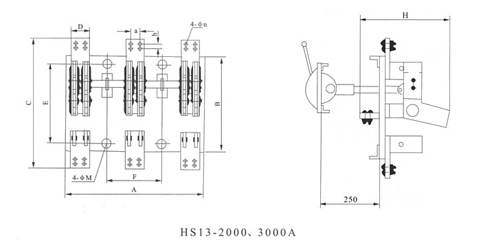
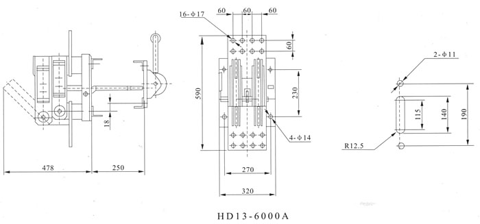
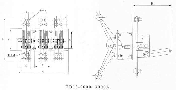
外形与安装尺寸


|
型号
|
约定发热电流A
|
A
|
B
|
C
|
D
|
E
|
F
|
H
|
a
|
b
|
ФM
|
Фn
|
|
HD13
|
2000
|
502
|
192
|
350
|
100
|
161
|
179
|
215
|
50
|
30
|
11
|
13
|
|
3000
|
602
|
195
|
394
|
119
|
161
|
200
|
245
|
69
|
40
|
13
|
17
|
|
HS13
|
2000
|
525
|
320
|
475
|
100
|
291
|
180
|
340
|
60
|
30
|
11
|
13
|
|
3000
|
580
|
320
|
515
|
119
|
291
|
200
|
350
|
69
|
40
|
13
|
17
|
|